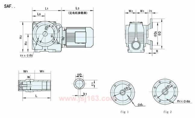
SAF系列减速机
SAF37 SAF47 SAF57 SAF67 SAF77 SAF87 SAF97

| 型号 | 安 装 尺 寸 | 轴 伸 尺 寸 | 外 形 尺 寸 | ||||||||||||||||
| H0 | D1 | n1 | d0 | D2 (h7) | R | d1 (h7) | b1 | c1 | L | M1 | l1 | L1 | D | L0 | W2 | W1 | H1 | H2 | |
| SAF37 | 82 | 100 | 4 | 7 | 80 | 3.5 | 20 | 6 | 22.8 | 104 | M6 | 15 | 143 | 120 | 63 | 63 | 60 | 3 | 145 |
| SAF47 | 100 | 130 | 4 | 9 | 110 | 3.5 | 25 | 8 | 28.3 | 105 | M10 | 24 | 171 | 160 | 76 | 72 | 70 | 7 | 179 |
| 30 | 33.3 | ||||||||||||||||||
| SAF57 | 112 | 165 | 4 | 11 | 130 | 3.5 | 30 | 8 | 33.3 | 132 | M12 | 25 | 187 | 200 | 87 | 75 | 73 | 12 | 204 |
| 35 | 10 | 38.3 | |||||||||||||||||
| SAF67 | 140 | 165 | 4 | 11 | 130 | 4 | 40 | 12 | 43.3 | 144 | M16 | 42.5 | 242 | 200 | 104 | 93 | 90 | 18 | 253 |
| 45 | 14 | 48.8 | |||||||||||||||||
| SAF77 | 180 | 215 | 4 | 13.5 | 180 | 4 | 50 | 14 | 53.8 | 180 | M20 | 45.5 | 287 | 250 | 130 | 112 | 109 | 29 | 323 |
| 60 | 18 | 64.4 | |||||||||||||||||
| SAF87 | 225 | 300 | 4 | 17.5 | 250 | 5 | 60 | 18 | 64.4 | 220 | M20 | 52.5 | 340 | 350 | 150 | 129 | 125 | 30 | 385 |
| 70 | 20 | 74.9 | |||||||||||||||||
| SAF97 | 280 | 400 | 8 | 17.5 | 350 | 5 | 70 | 20 | 74.9 | 260 | M24 | 60 | 420 | 450 | 196 | 154 | 150 | 55 | 490 |
| 90 | 25 | 95.4 | |||||||||||||||||








