NGW-L型行星齿轮减速机(JB3724-84)产品简介

这类减速器包括单级、二级两个系列的立式行星齿轮减速器。它主要用于冶金、起重、运输、轻化及通用机械设备。其工作条件为:高速轴转速不超过1500r/min;齿轮圆周速度不超过15m/s;工作环境温度为-40~+45℃;可正反两向运转。
NGW-L21 NGW-L31 NGW-L41 NGW-L51 NGW-L61 NGW-L71 NGW-L42 NGW-L52 NGW-L62 NGW-L72 NGW-L82 NGW-L92 NGW-L102 NGW-L112 NGW-L122 NGW-L21 NGW-L31 NGW-L41 NGW-L51 NGW-L61 NGW-L71
减速器的代号和标记方法
减速器的代号中包括减速器型式系列代号、机座号、传动级数、传动比代号。
标记示例:

|
NGW—L型减速器主要性能参数(JB3724—84P)4
|
|||||||||||||||||||||||||||||||||||||||||||||||||||||||||||||||||||||||||||||||||||||||||||||||||||||||||||||||||||||||||||||||||||||||||||||||||||||||||||||||||||||||||||||||||||||||||||
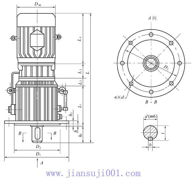
NGW-L型单级行星齿轮减速机外形及安装尺寸

单级NGW-L型减速器外形和安装尺寸 (mm)
|
机座
号
|
型号
规格
|
公称传动
比id
|
外形
|
法兰及螺栓孔
|
轴伸
|
质量(kg)
|
油量(L)
|
|||||||||||
|
DM
|
L2
|
D1
|
L1
|
D2
|
D3
|
n×D1
|
h
|
h1
|
h2
|
d
|
l
|
t
|
b
|
|
|
|||
|
1
|
NGW-L
11
|
4~5
5.6~10
|
按
所
配
电
动
机
确
定
|
360
|
230.5
|
280
|
325
|
6×18
|
6
|
20
|
18
|
50
|
82
|
53.5
|
14
|
65
|
3.89
|
|
|
2
|
NGW-L
21
|
4~5
5.6~10
|
385
|
255
|
305
|
345
|
6×18
|
6
|
20
|
18
|
60
|
105
|
64.0
|
18
|
100
|
5.53
|
||
|
3
|
NGW-L
31
|
4~5
5.6~10
|
430
|
287
|
330
|
380
|
6×18
|
6
|
25
|
20
|
70
|
105
|
74.5
|
20
|
120
|
7.86
|
||
|
4
|
NGW-L
41
|
4~5
5.6~10
|
485
|
315
|
380
|
455
|
8×22
|
8
|
25
|
20
|
80
|
130
|
85.0
|
22
|
160
|
11.63
|
||
|
5
|
NGW-L
51
|
4~5
5.6~10
|
520
|
355
|
420
|
470
|
8×22
|
8
|
30
|
25
|
90
|
130
|
95.0
|
25
|
240
|
16.52
|
||
|
6
|
NGW-L
61
|
4~5
5.6~10
|
605
|
387
|
505
|
545
|
8×32
|
8
|
30
|
25
|
100
|
165
|
106
|
28
|
320
|
20.84
|
||
|
7
|
NGW-L
71
|
4~5
5.6~10
|
670
|
416.5
|
570
|
610
|
8×32
|
10
|
30
|
28
|
110
|
165
|
116
|
28
|
400
|
29.85
|
||
注:1.所配电动机型号规格确定L、L2之尺寸。
2.表中质量不包括电动机质量。

单级NGW-L型减速器的外形及安装尺寸 (mm)
|
机座
号
|
型号
规格
|
公称传动
比id
|
外形
|
法兰及螺栓孔
|
轴伸
|
质量(kg)
|
油量(L)
|
||||||||||||||
|
DM
|
L
|
L4
|
L3
|
L2
|
L1
|
D1
|
D2
|
D3
|
n×d
|
h
|
h1
|
h2
|
d
|
l
|
t
|
b
|
|||||
|
4
|
NGW-L
42
|
25~100
|
按
所
配
电
动
机
确
定
|
62
|
315
|
485
|
385
|
455
|
8×22
|
8
|
25
|
20
|
80
|
130
|
85.0
|
22
|
180
|
11.63
|
|||
|
5
|
NGW-L
52
|
25~100
|
72.5
|
355
|
520
|
420
|
470
|
8×22
|
8
|
30
|
25
|
90
|
130
|
95.0
|
25
|
270
|
16.52
|
||||
|
6
|
NGW-L
62
|
25~100
|
100
|
387
|
605
|
505
|
545
|
8×32
|
8
|
30
|
25
|
100
|
165
|
106
|
28
|
350
|
20.84
|
||||
|
7
|
NGW-L
72
|
25~100
|
100
|
416.5
|
670
|
570
|
610
|
8×32
|
10
|
30
|
28
|
110
|
165
|
116
|
28
|
430
|
29.85
|
||||
|
8
|
NGW-L
82
|
25~100
|
110
|
440.5
|
750
|
630
|
675
|
8×38
|
10
|
35
|
28
|
120
|
165
|
127
|
32
|
550
|
38.5
|
||||
|
9
|
NGW-L
92
|
25~100
|
120
|
477.5
|
830
|
710
|
755
|
8×38
|
10
|
35
|
32
|
130
|
200
|
137
|
32
|
680
|
55.6
|
||||
|
10
|
NGW-L
102
|
25~100
|
135
|
544
|
940
|
810
|
860
|
8×44
|
12
|
40
|
32
|
150
|
200
|
158
|
36
|
990
|
80.59
|
||||
|
11
|
NGW-L
112
|
25~100
|
145
|
598
|
1020
|
890
|
940
|
8×44
|
12
|
40
|
40
|
170
|
240
|
179
|
40
|
1220
|
114.25
|
||||
|
12
|
NGW-L
122
|
25~100
|
165
|
666
|
1150
|
1010
|
1060
|
8×50
|
12
|
45
|
45
|
190
|
280
|
200
|
45
|
1850
|
165.04
|
||||
注:所配电动机型号规格确定后再定DM、L1、L4及L3之尺寸。表中质量不包括电动机质量。






