PWS包络减速机工作条件:两轴交角为90°;蜗杆转速不超过1500r/min;工作环境温度为0~40℃,当环境温度低于0℃或高于40℃时,启动前润滑油要相应加热或冷却;蜗杆轴可正、反向运转。
PWS减速机传动比标记方法
(1)PWU型—蜗杆在蜗轮之下平面二次包络环面蜗杆减速器;
(2)PWO型—蜗杆在蜗轮之上平面二次包络环面蜗杆减速器;
(3)PWS型—蜗杆在蜗轮之侧平面二次包络环面蜗杆减速器。


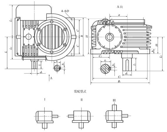
PWS型减速器主要尺寸 /mm
| a | H1 | B | B1 | C | C1 | C2 | D | H | L | L1 | L2 | L3 | d1 | b1 | t1 | l1 | d2 | b2 | t2 | l2 | h |
| 80 | 95 | 100 | 315 | 80 | 265 | 80 | 14 | 200 | 160 | 118 | 118 | 170 | 25 | 8 | 28 | 42 | 45 | 14 | 48.5 | 82 | 30 |
| 100 | 125 | 125 | 355 | 100 | 315 | 100 | 16 | 236 | 200 | 140 | 140 | 212 | 32 | 10 | 35 | 58 | 55 | 16 | 59 | 82 | 35 |
| 125 | 140 | 140 | 400 | 118 | 355 | 118 | 18 | 280 | 236 | 170 | 170 | 250 | 38 | 10 | 41 | 58 | 65 | 18 | 69 | 105 | 38 |
| 140 | 160 | 160 | 450 | 132 | 400 | 132 | 20 | 300 | 265 | 190 | 190 | 280 | 42 | 12 | 45 | 82 | 70 | 20 | 74.5 | 105 | 40 |
| 160 | 180 | 180 | 500 | 150 | 450 | 150 | 21 | 335 | 300 | 212 | 212 | 315 | 48 | 14 | 51.5 | 82 | 80 | 22 | 85 | 130 | 42 |
| 180 | 200 | 200 | 560 | 170 | 500 | 160 | 22 | 375 | 335 | 236 | 236 | 355 | 56 | 16 | 60 | 82 | 90 | 25 | 95 | 130 | 45 |
| 200 | 224 | 224 | 630 | 190 | 560 | 170 | 24 | 425 | 355 | 265 | 265 | 400 | 60 | 18 | 64 | 105 | 100 | 28 | 106 | 165 | 48 |
| 225 | 250 | 250 | 710 | 212 | 630 | 190 | 26 | 475 | 400 | 300 | 300 | 425 | 65 | 18 | 69 | 105 | 110 | 28 | 116 | 165 | 50 |
| 250 | 280 | 280 | 800 | 245 | 710 | 200 | 28 | 530 | 450 | 355 | 355 | 475 | 70 | 20 | 74.5 | 105 | 125 | 32 | 132 | 165 | 52 |
| 280 | 315 | 315 | 900 | 265 | 800 | 224 | 30 | 600 | 500 | 375 | 375 | 530 | 85 | 22 | 90 | 130 | 140 | 36 | 148 | 200 | 55 |
| 315 | 355 | 355 | 1000 | 300 | 900 | 250 | 32 | 670 | 560 | 425 | 425 | 560 | 90 | 25 | 95 | 130 | 150 | 36 | 158 | 200 | 58 |
| 355 | 400 | 400 | 1120 | 335 | 1000 | 265 | 35 | 750 | 600 | 450 | 450 | 670 | 100 | 28 | 106 | 165 | 170 | 40 | 179 | 240 | 62 |
| 400 | 450 | 450 | 1250 | 375 | 1120 | 315 | 35 | 850 | 670 | 500 | 500 | 710 | 110 | 28 | 116 | 165 | 180 | 45 | 190 | 240 | 65 |
| 450 | 500 | 500 | 1400 | 425 | 1250 | 355 | 39 | 950 | 750 | 560 | 560 | 800 | 125 | 32 | 132 | 165 | 200 | 45 | 210 | 280 | 70 |
| 500 | 560 | 560 | 1600 | 475 | 1400 | 400 | 42 | 1060 | 800 | 600 | 600 | 900 | 130 | 32 | 137 | 200 | 220 | 50 | 231 | 280 | 75 |
| 560 | 630 | 630 | 1800 | 530 | 1600 | 450 | 45 | 1180 | 900 | 670 | 670 | 1000 | 150 | 36 | 158 | 200 | 250 | 56 | 262 | 330 | 78 |
| 630 | 710 | 710 | 2000 | 600 | 1800 | 500 | 48 | 1320 | 1000 | 750 | 750 | 1100 | 170 | 40 | 179 | 240 | 280 | 63 | 292 | 380 | 82 |
| 710 | 800 | 800 | 2240 | 670 | 2000 | 560 | 52 | 1500 | 1120 | 850 | 850 | 1250 | 190 | 45 | 200 | 280 | 320 | 70 | 334 | 380 | 88 |





