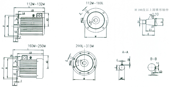
一、YZ112-250 IM1安装尺寸与外形尺寸

二、YZR112-250 IM3安装尺寸与外形尺寸

YZ系列起重及冶金用三相异步电动机
YZ系列起重及冶金用三相异步电动机适用于各种型式的起重机械及冶金辅助设备的电力传动,能在短时、断续周期性工作制工作,适用于频繁正反转等工作状态。YZ系列电动机能在额定电压下直接起动,具有起动力矩大、起动电流小、机械强度高等特点。
一、YZ112-250 IM1安装尺寸与外形尺寸

二、YZR112-250 IM3安装尺寸与外形尺寸

YZ系列起重及冶金用三相异步电动机
YZ系列起重及冶金用三相异步电动机适用于各种型式的起重机械及冶金辅助设备的电力传动,能在短时、断续周期性工作制工作,适用于频繁正反转等工作状态。YZ系列电动机能在额定电压下直接起动,具有起动力矩大、起动电流小、机械强度高等特点。