
本贡架可直接与我厂的XLD型减速机10种机型联接
型号标定方法示例:
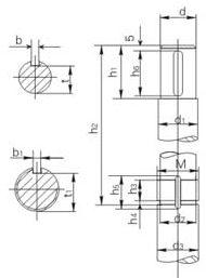
|
![]() |
|||||||
![]() |
| 机架代号 | 减速机出轴轴径d | 搅拌轴轴端尺寸 | 外形及联接尺寸 | Ⅰ型 | Ⅱ型 | ||||||||||||||||||||||||||||
| d1 | M | d2 | d3(K6) | h1 | h2 | h3 | h4 | h5 | h6 | b | b1 | t | t1 | H1 | H2 | D3 | D2 | D1 | n1-φ1 | D4 | D5 | D6(H9) | t2 | b2 | n2-φ2 | H | H3 | 重量(kg) | H | H | 重量(kg) | ||
| JXLD3 | 35 | 40 | M45×1.5 | 42.8 | 45 | 60 | 215 | 10 | 3 | 16 | 50 | 10 | 6 | 30 | 41 | 291 | 136 | 230 | 200 | 170 | 6-12 | 410 | 360 | 300 | 6 | 18 | 6-18 | 520 | 170 | 55 | 610 | 260 | 80 |
| JXLD4 | 45 | 50 | M55×2 | 52 | 55 | 75 | 235 | 14 | 4 | 22 | 69 | 14 | 8 | 39.5 | 51 | 335 | 175 | 260 | 230 | 200 | 6-12 | 450 | 400 | 335 | 6 | 18 | 6-18 | 570 | 155 | 80 | 670 | 255 | 86 |
| JXLD5 | 55 | 60 | M65×2 | 62 | 65 | 75 | 301 | 14 | 4 | 22 | 70 | 16 | 8 | 49 | 61 | 404 | 178 | 340 | 310 | 270 | 6-13 | 500 | 450 | 385 | 6 | 22 | 8-18 | 650 | 157 | 110 | 750 | 257 | 120 |
| JXLD6 | 65 | 70 | M75×2 | 72 | 75 | 90 | 277 | 16 | 4 | 25 | 85 | 18 | 10 | 58 | 70 | 402 | 215 | 400 | 360 | 316 | 8-16 | 530 | 480 | 410 | 8 | 22 | 12-18 | 660 | 168 | 130 | 760 | 268 | 145 |
| JXLD7 | 80 | 85 | M90×2 | 87 | 90 | 105 | 316 | 20 | 4 | 30 | 100 | 22 | 12 | 71 | 84 | 441 | 230 | 430 | 390 | 345 | 8-18 | 565 | 510 | 430 | 8 | 24 | 12-22 | 740 | 194 | 160 | 860 | 314 | 178 |
| JXLD8 | 90 | 95 | M100×2 | 97 | 100 | 125 | 320 | 20 | 4 | 30 | 120 | 25 | 12 | 81 | 94 | 471 | 276 | 490 | 450 | 400 | 12-18 | 565 | 510 | 430 | 8 | 28 | 12-22 | 800 | 212 | 208 | 920 | 332 | 230 |
| JXLD9 | 100 | 105 | M110×2 | 107 | 110 | 125 | 308 | 20 | 4 | 31 | 120 | 28 | 14 | 90 | 104 | 496 | 313 | 580 | 520 | 455 | 12-22 | 580 | 520 | 455 | 10 | 30 | 12-22 | 810 | 191 | 235 | 920 | 301 | 262 |
| JXLD10 | 110 | 115 | M120×2 | 117 | 120 | 155 | 267 | 24 | 4 | 35 | 150 | 28 | 14 | 100 | 114 | 475 | 363 | 650 | 590 | 520 | 12-22 | 650 | 690 | 520 | 12 | 30 | 12-22 | 830 | 221 | 300 | 950 | 341 | 345 |
| JXLD11 | 130 | 135 | M140×2 | 137 | 140 | 155 | 301 | 28 | 4 | 39 | 150 | 32 | 14 | 119 | 132 | 521 | 375 | 880 | 800 | 680 | 12-38 | 880 | 800 | 680 | 12 | 30 | 12-37 | 850 | 185 | 480 | 970 | 305 | 538 |
| JXLD12 | 180 | 190 | M200×3 | 196 | 200 | 284 | 377 | 36 | 4 | 48 | 280 | 45 | 16 | 165 | 190 | 757 | 664 | 1160 | 1020 | 900 | 8-39 | 1160 | 1020 | 900 | 12 | 45 | 8-39 | 1200 | 235 | 350 | 385 | ||
注:图示所注“h2”仅与本样本XLD系列减速机相配,如选用其他型号或其他厂家减速机,“H2”需另计算,Ⅰ型为普通型;Ⅱ型为增高型、除H、H2尺寸加大外,其余尺寸与Ⅰ型相同。

江苏重泰减速机有限公司
采购 泰兴减速机 请选择重泰减速机有限公司(原 泰兴减速机总厂)
全国咨询电话: 400-710-9918 传真:0510-80212333/85516654/85508340
座机:0510-80212111/80212555/80210978/85519221/85518416/85511836
邮箱:1051532995@qq.com 地址:无锡市解放北路16号