WS圆柱蜗杆减速机为一级传动的阿基米德圆柱蜗杆减速器;适用于蜗杆啮合处滑动速度不大于7.5m/s;蜗杆速度不超过1500r/min;工作环境温度为-40~+40℃;并可正、反方向运转的场合。
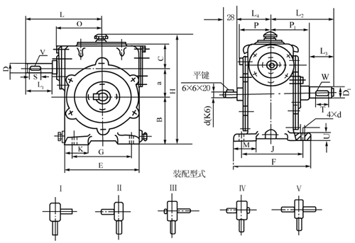
WS减速器80~120安装尺及装配型式

|
型号
|
a
|
B
|
C
|
D
|
D1
|
E
|
F
|
G
|
H
|
J
|
K
|
L
|
L1
|
L2
|
L3
|
L4
|
|
WS80
|
80
|
120
|
65
|
20
|
35
|
190
|
200
|
150
|
295
|
160
|
60
|
190
|
50
|
158
|
58
|
90
|
|
WS100
|
100
|
140
|
70
|
25
|
40
|
240
|
210
|
180
|
340
|
170
|
70
|
225
|
60
|
182
|
82
|
100
|
|
WS120
|
120
|
160
|
75
|
30
|
45
|
270
|
220
|
200
|
385
|
180
|
80
|
275
|
80
|
197
|
82
|
110
|
|
型号
|
M
|
O
|
P
|
P1
|
S
|
T
|
U
|
V(b×h)
|
W(b×h)
|
d
|
转动惯量(kg·m2)
|
质量
|
|
WS80
|
60
|
120
|
83.5
|
100
|
40
|
50
|
20
|
6×6
|
10×8
|
18
|
0.265×10-3
|
36.7~39
|
|
WS100
|
70
|
145
|
90
|
100
|
40
|
60
|
20
|
8×7
|
12×8
|
18
|
0.84×10-3
|
53~65
|
|
WS120
|
80
|
165
|
102
|
115
|
50
|
60
|
20
|
8×7
|
14×9
|
18
|
1.79×10-3
|
73.4~79
|
|
|
|
型号
|
a
|
B
|
C
|
D
|
D1
|
E
|
F
|
G
|
H
|
J
|
K
|
L
|
L1
|
L2
|
L3
|
L4
|
M
|
N
|
|
WS150
|
150
|
210
|
105
|
35
|
65
|
370
|
340
|
310
|
513
|
280
|
100
|
303
|
58
|
315
|
105
|
190
|
90
|
245
|
|
WS180
|
180
|
250
|
125
|
40
|
70
|
430
|
360
|
360
|
603
|
300
|
120
|
362
|
82
|
345
|
105
|
215
|
90
|
250
|
|
WS210
|
210
|
280
|
135
|
45
|
80
|
490
|
400
|
400
|
673
|
320
|
140
|
412
|
82
|
385
|
130
|
225
|
100
|
282
|
|
WS250
|
250
|
330
|
145
|
50
|
90
|
570
|
430
|
440
|
773
|
360
|
160
|
442
|
82
|
395
|
130
|
240
|
120
|
325
|
|
WS300
|
300
|
390
|
165
|
70
|
120
|
670
|
500
|
520
|
903
|
420
|
200
|
535
|
105
|
465
|
165
|
270
|
150
|
385
|
|
WS360
|
360
|
460
|
200
|
80
|
150
|
840
|
610
|
650
|
1068
|
440
|
240
|
640
|
130
|
575
|
200
|
340
|
180
|
470
|
|
型号
|
O
|
P
|
P1
|
Q
|
R
|
S
|
T
|
U
|
V
|
W
|
d
|
转动惯量(kg·m2)
|
质量(Kg )
|
|
WS150
|
230
|
180
|
210
|
455
|
200
|
50
|
100
|
30
|
10×8
|
18×11
|
22
|
3.11×10-3
|
146~163
|
|
WS180
|
270
|
205
|
240
|
515
|
230
|
60
|
100
|
30
|
12×8
|
20×12
|
22
|
7.63×10-3
|
263~295.5
|
|
WS210
|
300
|
215
|
255
|
585
|
250
|
70
|
110
|
30
|
14×9
|
22×14
|
22
|
23.50×10-3
|
318~364
|
|
WS250
|
340
|
225
|
265
|
665
|
270
|
80
|
125
|
40
|
14×9
|
25×14
|
26
|
79.00×10-3
|
484~547
|
|
WS300
|
403
|
255
|
300
|
765
|
310
|
90
|
140
|
50
|
20×12
|
32×18
|
32
|
143.00×10-3
|
761~894
|
|
WS360
|
490
|
325
|
375
|
965
|
360
|
110
|
180
|
50
|
22×14
|
36×20
|
39
|
223.13×10-3
|
1290~1450
|
WS减速器传动比及输出转矩表
|
型号 |
转矩 |
速比 |
||||||||||||||||
|
9.67 |
11.67 |
13.67 |
15.67 |
17.67 |
19.5 |
21.5 |
23.5 |
25.5 |
27.5 |
30 |
33 |
37 |
41 |
47 |
53 |
60 |
||
|
WS |
80 |
55.9 |
55 |
53 |
41.2 |
48.1 |
54.9 |
52 |
41.2 |
49.1 |
45.2 |
56 |
56 |
49.1 |
53 |
41.2 |
48.1 |
— |
|
100 |
111 |
105 |
106 |
98.1 |
93.1 |
101 |
89.2 |
98.1 |
77.5 |
91.1 |
107 |
107 |
103 |
99 |
98.1 |
93.2 |
69.6 |
|
|
120 |
188.3 |
186.4 |
172.5 |
163.8 |
139 |
169.8 |
168.8 |
165 |
158 |
158 |
188.3 |
166 |
183.5 |
172.5 |
164.8 |
139.2 |
130.7 |
|
|
150 |
344 |
332 |
335.5 |
328.5 |
272 |
341 |
301 |
328.5 |
295 |
296 |
336.5 |
360 |
347 |
335.5 |
328.5 |
271 |
237.5 |
|
|
180 |
596.4 |
680 |
586 |
561 |
475 |
524 |
527 |
561 |
537 |
— |
640 |
565 |
535 |
584.9 |
555 |
471 |
506 |
|
|
210 |
1009.4 |
864.4 |
920 |
877 |
744.8 |
820 |
899 |
878 |
840.9 |
877 |
1006.5 |
887 |
950.6 |
921 |
877 |
744.8 |
279 |
|
|
250 |
1728 |
1700 |
1352 |
1254 |
1328 |
1577 |
1313 |
1254 |
1470 |
1136 |
1725 |
15.078 |
1695 |
1352 |
1254 |
1332 |
1426 |
|
|
300 |
2832 |
2656 |
2685 |
2567 |
2018 |
2734 |
2273 |
2568 |
2460 |
2371 |
2783 |
2724 |
2773 |
2695 |
2568 |
2018 |
1881 |
|
|
360 |
4704 |
4606 |
4282 |
4429 |
3498 |
4723 |
4184 |
4429 |
4253 |
— |
4665 |
4576 |
4495 |
4282 |
4429 |
3488 |
3920 |
|

江苏重泰减速机有限公司
采购 泰兴减速机 请选择重泰减速机有限公司(原 泰兴减速机总厂)
全国咨询电话: 400-710-9918 传真:0510-80212333/85516654/85508340
座机:0510-80212111/80212555/80210978/85519221/85518416/85511836
邮箱:1051532995@qq.com 地址:无锡市解放北路16号